企业信息
第17年
- 入驻时间: 2009-01-15
- 联系人:庞经理
- 电话:021-63583372
-
联系时,请说明易展网看到的
- Email:535225419@qq.com
产品详情
简单介绍:
MFB12-37YC电磁铁适用于直流50H,电压至220V的控制电路中。
MFB12-37YC电磁铁合理的选择液压油,特别是油液的粘度,在条件许可的情况下,尽量采用低粘度的液压油,以便减少粘度摩擦的损失.
详情介绍:
MFB12-37YC电磁铁
MFB12-37YC电磁铁主要技术参数
| 型 号 Code | Z12-37YC | B12-37YC |
| 额定电压 Rated Voltage (V) | 12 24 | 110 220 |
| 额定吸力 Rated Force ( N ) | ≥37 | ≥37 |
| 额定行程 Rated Stroke (Mm) | 2.8 | 2.8 |
| 全行程 Total Stroke (Mm) | ≥6.1 | ≥6.1 |
| 消耗功率 Consumed Power (W) | ≤30 | ≤30 |
| 承受静态油压 Static Oil Pressure (MPa) | 21 | 21 |
| 操作频率 Operating Frequency (T/H) | 12000 | 12000 |
MFB12-37YC电磁铁正常工作条件
可任意方向安装。
使用环境中应无足以腐蚀金属和破坏绝缘的气体和尘埃。否则,可能影响产品寿命。
电磁铁适用长期工作制、断续周期工作制。
电源电压的合理波动范围为85%-110%(特殊要求可订货时提出)。
外壳防护等级为IP65。
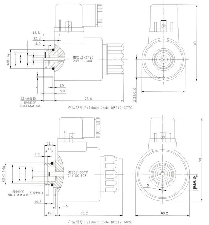
MFB12-37YC电磁铁外形及安装尺寸

MFB12-37YC电磁铁 阀用电磁铁MFB12-37YC电磁铁
相关文章
